ID-S20 すべり軸受における潤滑系の設計での注意点について
 
 すべり軸受における潤滑系の設計での注意点について
 軸受の性能を十分に発揮させるには、使用条件に適した潤滑油の選択と軸受へ充分な油量を供給するために(d)〜(h)に示す適正な油路の設計が重要です。
 
(d)潤滑油の選択:潤滑油は使用温度条件やメンテナンス間隔などから適正なものを選択する必要があります。エンジンのように広い温度範囲で潤滑する必要がある場合、粘度は潤滑油の重要な特性です。
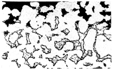
 近年のエンジン油は鉱油系、合成油系などのべ一スオイルに粘度指数向上剤、分散剤、清浄剤などの添加剤を含有しておりその性能向上は著しいといえます。しかし、補充用オイル添加剤は特殊な用途を前提としたものであり、中には長時間使用すると銅鉛合金製の軸受を腐食(図1)させるものもあるので注意が必要です。
 

 
図1 軸受の腐食例
 
(e)油量の確保:軸受に供給される潤滑油は流体油膜を形成すると同時に、軸受を冷却する機能を果たしています。特に高速エンジンでは冷却機能が大半を占めています。したがって、オイルポンプの容量が不足していると高速域で焼付などのトラブルを発生させることがあります。
 軸受へ供給される油量はポンプ容量のみでは決まらず、潤滑回路全体の影響を受けます。オイルポンプ容量をアップしても、必ずしも比例して軸受への給油量が増加するわけではなく、回路中でより抵抗の少ない系への油量分配が増加します。また油量を計測する場合、各部の油圧を計測し判断することがありますが、油圧が高くても油量はそれほど増加していないことがあります。特別な場合を除き、軸受にとって必要なのは油圧より油量であるといえます。軸受けへの油量を増やすことが出来ない場合は、オイルクーラーを追加し供給油温を下げることが重要です。
 
(f)軸受給油量と計測法:軸受への油量をシミュレーション解析する方法としては、給油経路を等価回路網として解析することにより、各軸受給油量を求める方法(図2)がありますが、各部のモデル化が難しくあまり適用例は多くないようです2)
 

 
図2 軸受給油経路と等価回路2)
 
 油量を計測するには軸受の周辺にオイルシール付きの隔壁を設け軸受から排出される油のみを収集する方法(図3)があります。しかし、簡易的に軸受の温度を計測し油量の増減効果を把握する場合が多いです。
 

 
図3 軸受油量の計測
 
(g)気泡の防止:潤滑系の影響による軸受損傷にキャビテーションエロージョンがあります。オイルタンクの油面低下によるオイルポンプの空気の吸い込みやオイルタンク内の気泡発生がキャビテーションの原因であることが多いです。自動車用エンジンなどでは車両の旋回や登坂時におけるオイルバンの油面変化に注意する必要があります。
 
(h)異物:軸受の損傷では異物によるものが最も多いです。オイルフィルターの選択とメンテナンスは当然重要ですが、軸受を損傷させる異物の大半は装置の組み付け時の洗浄不足により潤滑経路中に残った加工時の切り粉などであり、そのため洗浄レベルの向上も必要であるといえます。
 以上述べたように、すべり軸受の周辺環境条件としては、流体潤滑油膜を確保するために「軸受回りをしっかりと構成し」、「十分な潤滑油を確保する」ことが重要と言えます。
(大豊工業 技術管理部)
 
「参考文献」
  2)
伊藤、小林、藤谷、村田、鹿内:ロータリー圧縮機給油系の研究、三菱重工技報
Vol.29 No.5(1955)
  3)
大豊工業:軸受デザインガイド
 
「出典」
  すべり軸受Q&A 月刊トライボロジ1994.8 p41
 
 
 

 
Copyright 1999-2003 Japan Lubricating Oil Society. All Rights Reserved.